您当前的位置:成果库 > 频率可调宽带超材料吸波结构
基本信息
- 成果类型 高等院校
- 委托机构 西安电子科技大学
- 成果持有方 西安电子科技大学
- 行业领域 通信
- 项目名称 频率可调宽带超材料吸波结构
- 知识产权 发明专利
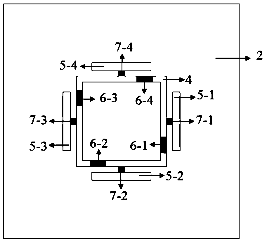
- 项目简介 本发明公开了一种频率可调宽带超材料吸波结构,主要解决现有技术难以实现宽吸波频带频率可调的问题。其包括谐振结构(1)、介质基板(2)和金属地板(3);所述谐振结构(1)和金属底板(3)分别位于介质板(2)的上表面和下表面;该谐振结构(1)由金属方环(4)、矩形金属片(5)、电阻(6)和电感(7)组成;该金属方环(4)的开口为90度旋转对称分布;该矩形金属片(5)对称分布于金属方环(4)的外侧,且与金属方环(4)的对应边平行;所述电阻(6)位于金属方环(4)的开口处;所述电感(7)连接矩形金属片(5)和金属方环(4)的对应边;本发明能通过改变电阻值和电感值的大小,实现宽吸波频带的频率连续可调。
-
交易信息
- 意向交易额 面议
- 挂牌时间 2018/02/23
- 委托机构 西安电子科技大学
- 联系人姓名 王小刚
- 联系人电话 15802954800
- 联系人邮箱 745490733@qq.com
- 分享至:


561
2018/08/15
咨询成果
发布成果